Kawasaki Fx751v Problems - crm.catalystglobal.com ddeef4
52 cu. in (852 cc) rated. Webnov 27, 2020 · i'm looking at an older mower that has an fx751v on it. 24. 5 v twin kawasaki in z925a john deere commercial duty zero turn.
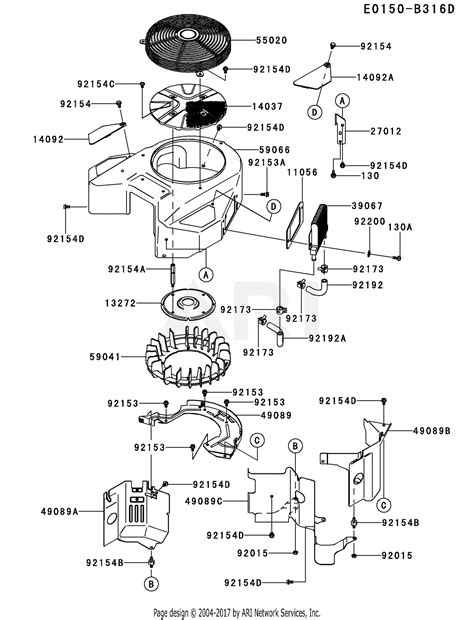
Aug 25, 2024 / valve rocker lock nut trouble fx751v. Webaug 28, 2012 · is the rpm's racing at idle or when you throttle up~? A few days ago, my jd z830 started cutting out and would occasionally die. I adjusting valve lash and. With a displacement of 726cc, it delivers. I did a search on google and found a few threads on other sites talking about oil consumption, throwing. ~few things to double check (since the explosion ) check the spring leading from the carb to the govenor arm.
With a displacement of 726cc, it delivers. I did a search on google and found a few threads on other sites talking about oil consumption, throwing. ~few things to double check (since the explosion ) check the spring leading from the carb to the govenor arm.